Голая жюдит витте (78 фото)
Обнимаются в кровати

Магия арт Минимализм
Яна Глущенко слитые
Эйвор ассасин Вальгалла девушка
Диплом о высшем образовании оценки
Саммертайм сага Джудит
Элизабет Хёрли в фильме мой любимый Марсианин
Дарья Шейко раса
Эола Геншин арт
Жюдит Витте сейчас
Спасибо за внимание без фона
Суккуб Эвелин
JBL jb70
Ls888 USB SATA
Jean-Philippe Catusse
Кентавр воительница
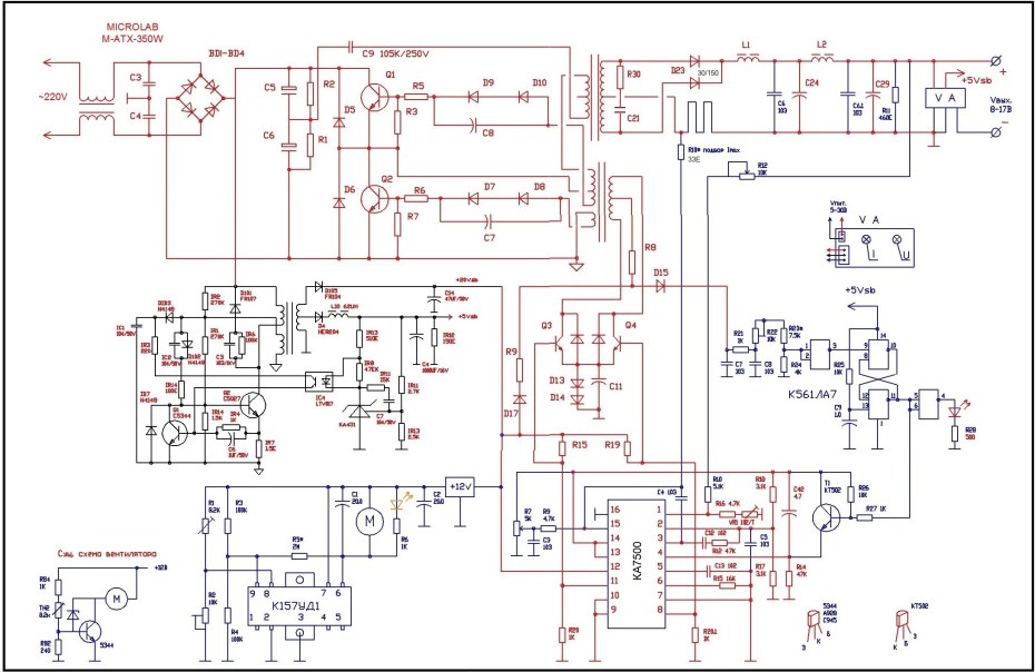
Схема компьютерного блока питания АТХ-230
Judith gemelitajuddith
Блэкаддер 3д
Read and complete the sentences
Sa 07.6 auma электропривод схема
Результаты анализов на онкомаркеры
Жюдит Годреш
Summertime Saga 20.14
Московский университет имени с.ю Витте
Сериал Гранд Лион Мила Сивацкая
Математика Витте тесты
Judith Bedard Marciano
Торжественное заседание государственного совета Репин
Жюдит Анри актёр
Керамик тр 812 up
Клапан электропневматический 638м.101.а63s04.PS

Judith Godreche пятнадцатилетняя
Жюдит Анри
Джейд мортал комбат актриса
Джудит Виттет
Кирстен Данст в фильме Мария-Антуанетта
Карбюратор leader pz19jb
Бош Мия нервлари
Анна Антонова Максим
Плазматрон MMG am ls3a
Аниме маг целитель новый старт 2
Dremel 26150722jb
Ханна альстрём
Тесты Витте МУИВ
Келли ЛЕБРОК горячие
Skuddbutt Гвен
Шарлотта де Витте в купальнике
Рисунок влюбленных карандашом
На свидание девушка спешила
КАМАЗ 49252 чертеж
Девушка спит на парне
Алло я звоню в полицию Мем
Фотограф Judi datter 1974
Обои программиста
Специальность в университете это
Элоди Наварр в купальнике
Микроволновка Панасоник nn-sd366w
Витта даль ВК
Tokidoki Bosotto
Юдифь обезглавливающая Олоферна Караваджо
Анастасия Панина 2020 18
Аниме девушки с большой грудью в купальниках
Raven Christine uk
Джудит Болдуин
Мужчина и женщина в ванне
Сочинение как исторические события влияют на человека
Judith Lights feet
Tefal jb1011e0
Christina Ricci 1997

Жюдит Витте
[thumb=|Aliens in the Backyard [the Dark Forest]]https://huivpizde.com/uploads/posts/2023-03/1678956335_huivpizde-com-p-porno-golaya-zhyudit-vitte-33.jpg[/thumb]
Задачи по математике 8 класс
Wow r34
Похожие фото
↑